通知公告
NOTICE
-

2022年第二季度环境自行监测信息公开
发布时间:2022/08/09 阅读量:12/hfpl/rootimages/uploadimg/1661645288293510/1661645288293510.pdfHZJA2401Z36766澳门联合线上网站官网2022年2季度_20220728.pdf(全文)/hfpl/rootimages/uploadimg/1661645288339037/1661645288339037.pdfHZJG2502Z6766澳门联合线上网站官网危废通风口非甲烷总烃检测2022.07.28蒋雅楠.pdf(全文)。...
-

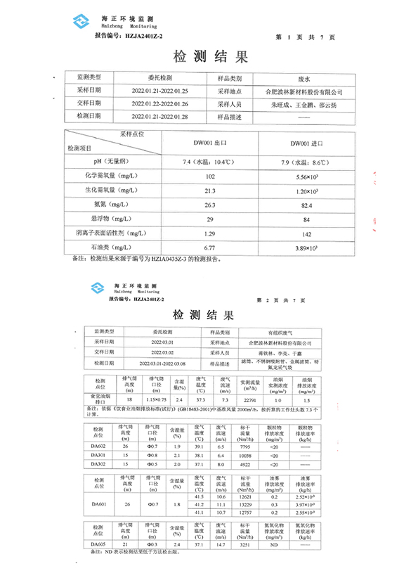
2022年第一季度环境自行监测信息公开
发布时间:2022/03/25 阅读量:19根据《排污许可管理条例》中华人民共和国国务院令第736号要求,我公司现对2021年第四季度环境自行监测情况进行公示。...
-

2021年第四季度环境自行监测信息公开
发布时间:2022/01/17 阅读量:29/hfpl/rootimages/uploadimg/1644002063272921/1644002063272921.pdf诚翔检测报告第四季度2021.pdf(全文)/hfpl/rootimages/uploadimg/1644002063286626/1644002063286626.pdf诚翔检测报告第四季度废水进出口2021.pdf(全文)。...
-

2021年度第三季度环境自行监测信息公开
发布时间:2021/10/11 阅读量:48HZIA0435Z26766澳门联合线上网站官网_20210928。...
-
职业病危害因素定期检测公示
发布时间:2021/08/30 阅读量:71根据《中华人民共和国职业病防治法》等法律法规要求,我公司对在2021年度职业病危害因素定期检测进行公示,具体公示内容见附件1、职业病危害因素定期检测报告公示(2021年度);/hfpl/rootimages/uploadimg/1631893959238910/1631893959238910.pdf6766澳门联合线上网站官网新材料2021定期.pdf(全文)。...
6766澳门联合线上网站官网
