2021年度第三季度环境自行监测信息公开

2021-10-11   

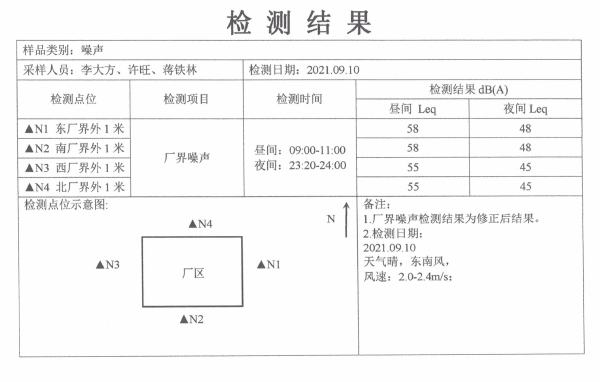
根据《排污许可管理条例》(中华人民共和国国务院令 第736号)要求,我公司现对2021年第三季度环境自行监测情况进行公示,本次环境自行监测数据如下:


< 返回上一级
来源:
作者:
XML 地图